¹ã¶«Ê¡ÉîÛÚÊÐ×ÆË¸ÇøÓñÌÁ½ÖµÀÌïå¼ÉçÇø¹âÇÈ·MKÌåÓýÖÇÔ칤ҵ԰
MKÌåÓý
³É¶¼»áӥŵʵҵÓÐÏÞ¹«Ë¾
»ÝÖÝÊж¦Á¦´ó¾ÙÖÇÄܿƼ¼ÓÐÏÞ¹«Ë¾
ÉîÛÚ°îÆÕÒ½ÁÆ×°±¸ÏµÍ³ÓÐÏÞ¹«Ë¾


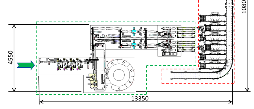
½ÓÄÉתËþ½á¹¹ÊµÏÖ¸ßËÙÈÈËõ£¬½ÚÔ¼Õ¼µØÃæ»ý£»
½ÓÄɼÐצ·½·¨¼ÐÈ¡µçо¶¨Î»£¬¼æÈݸÖÂÁ¿Çµçо¡£
×Ô¶¯ÉÏÁÏ
ɨÂ붨λ
Ìù¾øÔµÆ¬»ú¹¹
Ì×Ĥ»ú¹¹
ÈÈËõ»ú¹¹
³ß´çÕÉÁ¿»ú¹¹
ÖØÁ¿ÕÉÁ¿»ú¹¹
Íâ¹Û¼ì²â»ú¹¹
·ÖµµÏÂÁÏ»ú¹¹
´ò°üÎïÁ÷Ïß»ú¹¹
| ÐÎ×´³ß´ç | µ¥Ïß L*W*H¡Ü 13500*5400*2500mm |
| µ¥»ú²úÄÜ | ¡Ý 70PPM |
| ÊÊÓõçо³ß´ç | Ö±¾¶:30-50mm£»³¤¶È:130-200mm |
ÇëÌîдÒÔϱí¸ñ£¬ÎÒÃǽ«¾¡¿ìÓëÄúÁªÏµ
ÄúµÄÐÕÃû *
ÄúµÄ¹«Ë¾ *
ÄúµÄµç»° *
ÄúµÄÓÊÏä *
ÄúµÄÁôÑÔ *
Copyright ? 2024 MKÌåÓý °æÈ¨ËùÓÐ
ÔÁICP±¸16045761ºÅ